機械加工の図面には「±0.01mm」や「H7」などの公差が記載されています。しかし、機械設計を始めたばかりの方の中には「公差とは何か」「なぜ必要なのか」がよく分からないという人も多いでしょう。
公差とは、部品の寸法に対して許容される誤差の範囲を示す重要な設計情報です。加工機の精度、工具の摩耗、材料の特性などにより、理想寸法どおりの加工は現実的に不可能なため、あらかじめ許容範囲を設定する必要があります。
この記事では、機械加工の公差の意味・種類・図面の読み方を初心者にもわかりやすく解説します。寸法公差や幾何公差、JIS規格との関係、加工コストとの関係まで、設計者が知っておきたい基礎知識を体系的に理解できます。
機械加工の公差とは?基本的な意味

機械加工の公差とは、設計図面に記載された基準寸法に対して許容される誤差の範囲を示すものです。機械設計や製造の現場では、部品の寸法を完全に理想値どおりに加工することは現実的には不可能です。そのため、あらかじめ「どの範囲までの誤差なら機能上問題ないか」を設計段階で定めておく必要があります。
現在の製造現場では、高精度なCNC加工機やマシニングセンタが広く使用されており、非常に高い加工精度が実現できるようになっています。しかし、どれほど高性能な加工設備であっても、加工プロセスの中でわずかな誤差が必ず発生します。
その理由は、加工現場には次のようなさまざまな物理的要因が存在するためです。
- 工具の摩耗:切削工具は加工を続けることで徐々に摩耗し、加工寸法がわずかに変化する
- 材料の熱膨張:金属材料は加工中の熱によって膨張し、寸法に影響を与える
- 機械剛性の影響:加工機の構造剛性や切削力により微小なたわみが発生する
- 温度変化:工場内の温度変化によって材料や機械の寸法が変化する
- 加工振動(びびり):切削中の振動によって表面精度や寸法精度が変化する
このような要因により、実際に加工された部品には必ず微小な寸法誤差が生じます。そこで設計段階で許容できる誤差範囲(公差)を設定することで、部品の機能を確保しながら製造コストや加工効率とのバランスを取ることができます。
例えば、図面に次のような寸法が記載されている場合があります。
10.00 ±0.05mm
この場合、基準寸法は10.00mmであり、そこから±0.05mmまでの誤差が許容されます。つまり、実際に加工された部品の寸法が9.95mm〜10.05mmの範囲に収まっていれば、設計上は問題ない部品として判断されます。
このように、公差は単なる誤差の許容範囲ではなく、次のような要素を決定する製造設計における重要な指標です。
- 製品の品質管理
- 加工精度の目標
- 組立時の適合性
- 製造コスト
- 製品寿命や性能
そのため、公差の設定は機械設計・製造・品質管理のすべてに関わる重要な要素といえます。
公差の定義(Tolerance)
公差(Tolerance)とは、基準寸法に対して上方向と下方向に許容される寸法差の範囲を示したものです。英語では「Tolerance(トレランス)」と呼ばれ、機械設計や品質管理の分野で広く使われる基本的な概念です。
公差は主に次の3つの要素によって構成されています。
- 基準寸法:設計上の理想寸法
- 上限寸法:許容される最大寸法
- 下限寸法:許容される最小寸法
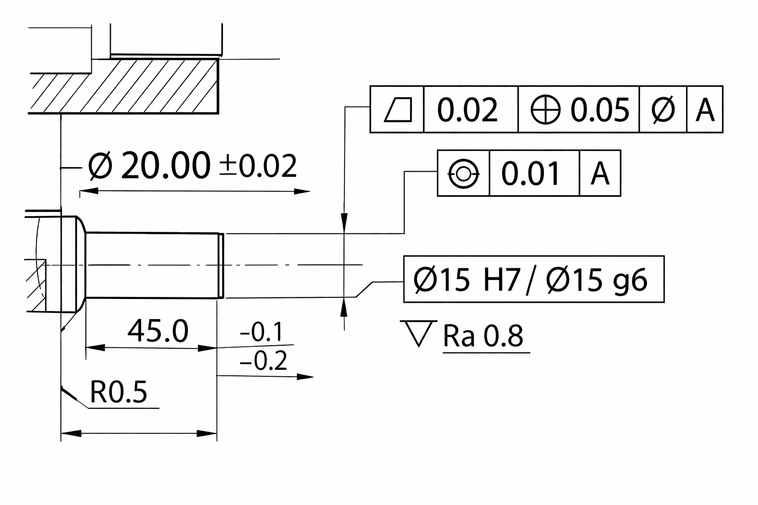
例えば、基準寸法が20mm ±0.02mmと指定されている場合、
- 上限寸法:20.02mm
- 下限寸法:19.98mm
となり、この範囲内であれば部品は設計機能を満たす合格品として扱われます。
実際の製造現場では、製品の用途や要求精度によって公差の大きさは大きく異なります。
例えば、自動化設備や精密機械の部品では数ミクロン(0.001mm)〜数十ミクロンといった非常に厳しい精度が要求されることがあります。これはベアリング、精密ギア、精密ガイドなど、部品同士の動きや摩擦が性能に大きく影響するためです。
一方で、大型機械フレームや構造部品などでは±0.1mm〜±0.5mm程度の公差でも十分な場合があります。これは構造強度が重要であり、微小な寸法差が機能に大きく影響しないためです。
また、大型部品の場合は加工方法や段取り回数が精度に大きく影響します。例えば、多面加工を一度の段取りで行う五面加工機を使用すると、基準面を維持したまま複数面を加工できるため、位置精度や平行度を安定して確保することができます。
五面加工機の特徴やメリットについては、以下の記事でも詳しく解説しています。
なぜ機械加工では公差が必要なのか
機械部品は単体で使用されることは少なく、多くの場合は複数の部品を組み合わせて機械として機能します。そのため、部品同士が適切な寸法関係で製作されていなければ、組み立て時に問題が発生してしまいます。
例えば次のような機構を考えてみましょう。
- 軸とベアリング
- ギアとシャフト
- 穴とピン
- スライドガイドとテーブル
もし公差が設定されていなければ、次のようなトラブルが発生する可能性があります。
- 部品がきつくて組み立てできない
- 隙間が大きすぎて異常振動が発生する
- 接触部の摩耗が増加する
- 機械動作時の騒音が大きくなる
- 部品寿命が短くなり機械寿命が低下する
特に歯車機構では、歯車同士が完全に密着してしまうと回転抵抗が大きくなり、焼き付きや摩耗の原因になります。そのため歯車設計では、あえてバックラッシュ(歯車の隙間)を設けることが重要になります。
このバックラッシュの調整方法については、次の記事でも詳しく解説しています。
歯車バックラッシュ調整方法でムダゼロ、安心稼働現場で今すぐ解決!
このように、公差は単なる誤差管理ではなく、機械の性能・信頼性・寿命を左右する重要な設計要素なのです。
機械加工の公差の種類
機械加工の公差にはいくつかの種類があり、部品の用途や求められる精度によって使い分けられます。機械設計では単に寸法の誤差を管理するだけでなく、部品の形状・位置関係・組み立て精度なども考慮する必要があります。
そのため設計図面では、目的に応じて複数の公差が組み合わせて指定されることが一般的です。特に精密機械や産業機械では、適切な公差設定が機械の性能や寿命、組立品質を大きく左右します。
機械加工で使用される代表的な公差には、次の3つがあります。
- 寸法公差
- 幾何公差
- はめあい公差
それぞれ役割が異なるため、設計者は部品の機能や加工方法、組立条件を考慮しながら適切に設定する必要があります。ここでは、それぞれの公差の特徴と役割について詳しく解説します。
寸法公差(サイズ公差)
寸法公差(サイズ公差)とは、部品の長さ・直径・厚みなどの寸法に対して設定される公差です。機械加工において最も基本的で一般的な公差であり、ほぼすべての機械図面に使用されています。
寸法公差は、部品の寸法が基準寸法からどの範囲まで変動しても機能上問題ないかを示しています。これにより、加工現場では必要以上に厳しい精度を求めることなく、効率的な製造が可能になります。
図面では主に次のような方法で表記されます。
- ±公差表示(例:20 ±0.02)
- 限界寸法表示(例:20.02 / 19.98)
例えば「20 ±0.02mm」と指定されている場合、部品寸法は19.98mm〜20.02mmの範囲であれば合格となります。
寸法公差は、特に部品同士が組み合わさる箇所で重要になります。例えば、ベアリングの内径とシャフト径の関係では、わずかな寸法差が回転性能や摩耗に大きく影響します。
そのため精密機械や自動化設備では、シャフト径などに数ミクロン(0.001mm単位)の精度が要求される場合もあります。一方で、機械フレームなどの構造部品では、比較的大きな寸法公差でも問題ない場合があります。
このように、寸法公差は部品の機能と加工コストのバランスを取るための基本的な設計要素といえます。
幾何公差
幾何公差とは、部品の形状・姿勢・位置関係などの幾何学的精度を指定する公差です。寸法公差が「サイズ」を管理するのに対し、幾何公差は形状や位置の精度を管理する役割を持っています。
機械部品では、単に寸法が正しいだけでは十分とは限りません。例えばシャフトがわずかに曲がっていたり、穴の位置がずれていたりすると、機械の性能に大きな影響を与えることがあります。
幾何公差には、次のような種類があります。
- 平面度:面の平らさを管理する
- 真円度:円形の精度を管理する
- 直角度:2つの面や軸の直角関係を管理する
- 同軸度:複数の軸が同じ中心線上にあるかを管理する
- 位置度:穴や部品の位置精度を管理する
例えば大型機械のベースプレートでは、表面の平面度が悪いと組立時に機械が歪み、振動や精度低下の原因になります。また、複数の軸受を持つ回転装置では同軸度が重要になり、わずかなズレでも摩耗や異音の原因になります。
このように幾何公差は、機械の性能・耐久性・動作精度を確保するために欠かせない設計要素です。
はめあい公差
はめあい公差とは、穴と軸など組み合わされる部品同士の寸法関係を定める公差です。機械の組立では、部品同士が適切な隙間または締まり具合で組み合わさることが重要になります。
はめあい公差には主に次の3つの種類があります。
- すきまばめ:常に隙間がある状態で組み立てる
- 中間ばめ:場合によって隙間または締まりが生じる
- しまりばめ:軸が穴より大きく圧入して固定する
例えば、回転するシャフトとベアリングの組み合わせでは、回転をスムーズにするためすきまばめが使用されることがあります。一方で、ギアやプーリーをシャフトに固定する場合は、部品が空転しないようしまりばめが採用されることが多くあります。
しまりばめの場合は、圧入や焼きばめといった方法で組み立てられることが一般的です。これにより、部品同士が強固に固定され、高いトルクを伝達することが可能になります。
これらのはめあい関係は、国際規格によって体系化されており、例えばH7 / g6などの表記で図面に指定されます。こうした規格を利用することで、異なるメーカーで製作された部品でも適切に組み立てることができます。
規格の詳細については、以下の資料も参考になります。
機械加工における公差設定のポイント
機械設計において公差の設定は、製品の性能・品質・製造コストに大きく影響する重要な工程です。特に設計初心者が陥りやすいのが、「公差は狭いほど精度が高くなり、良い設計になる」という誤解です。
確かに公差を厳しく設定すれば部品精度は高くなりますが、必要以上に狭い公差は製造工程に大きな負担をかけてしまいます。その結果、加工現場では次のような問題が発生する可能性があります。
- 加工時間の増加:高精度加工のために切削条件を落とす必要がある
- 検査工程の増加:高精度測定機器による品質確認が必要になる
- 加工コストの上昇:高精度設備や熟練作業が必要になる
- 不良率の増加:わずかな誤差でも規格外となる
例えば、本来±0.05mmで問題ない部品に±0.005mmの公差を設定してしまうと、加工難易度は一気に上がり、製造コストが大幅に増加する可能性があります。
そのため設計者は、単に精度を追求するのではなく「機能を満たす範囲で最適な公差を設定する」という考え方が重要になります。これはコスト・品質・生産性のバランスを取る設計ともいえます。
公差と加工精度の関係
機械加工では、加工方法や使用する設備によって実現できる精度が大きく異なります。そのため、公差を設定する際にはどの加工方法で製作されるのかを理解しておくことが重要です。
一般的な加工方法ごとの精度目安は、次のようになります。
- フライス加工(マシニングセンタ):±0.02〜0.05mm
- 精密加工:±0.005〜0.01mm
- 研削加工:±0.001mm程度
例えば、一般的なマシニングセンタによるフライス加工では、±0.02mm程度の精度であれば比較的安定して加工できます。しかし、それよりも高精度な±0.005mmレベルの加工を要求する場合は、研削加工や高精度設備が必要になることがあります。
また、加工精度は次のような要因によっても大きく左右されます。
- 加工機の剛性
- 工具の状態
- 材料特性
- 加工条件(切削速度・送り速度)
- 温度環境
このように、公差は単なる設計値ではなく、実際の加工プロセスや製造環境と密接に関係しているのです。そのため設計者は、加工方法や設備能力を理解したうえで公差を設定することが重要になります。
公差と製造コストの関係
公差を厳しくすると、製造コストは急激に増加する傾向があります。これは高精度を実現するために、加工工程や検査工程が増えるためです。
例えば、公差を厳しく設定すると次のような変化が発生します。
- 加工回数が増える
- 低速加工が必要になる
- 追加の仕上げ加工が必要になる
- 高精度測定機器による検査が必要になる
- 不良品が発生しやすくなる
例えば、通常の切削加工だけで製作できる部品でも、非常に厳しい公差が設定されている場合は研削加工やラッピング加工などの追加工程が必要になることがあります。これにより製造時間が増加し、コストも大きく上昇します。
一般的に製造業では「公差を半分にすると加工コストは数倍になる」とも言われています。これは高精度化に伴って設備・工程・測定のすべてが高度化するためです。
そのため優れた設計とは、単に高精度を追求するものではなく、必要な機能を満たしながら製造しやすい公差を設定することです。これにより、品質を確保しながら生産効率やコスト競争力を高めることができます。
機械加工の公差に関するよくある質問(FAQ)
ここでは、機械加工の公差についてよくある質問をまとめました。機械設計や製造現場で疑問に思いやすいポイントを、わかりやすく解説します。
機械加工の公差はどれくらいが一般的ですか?
一般的な機械加工では、加工方法によって実現できる公差が異なります。目安としては次のような精度が一般的です。
- フライス加工(マシニングセンタ):±0.02〜0.05mm
- CNC精密加工:±0.005〜0.01mm
- 研削加工:±0.001mm程度
ただし実際の公差は、部品の用途やサイズ、材料、加工条件によって大きく変わります。設計では必要な機能を満たす範囲で適切な公差を設定することが重要です。
公差と誤差の違いは何ですか?
誤差とは、実際に加工された寸法が理想寸法からどれだけずれたかを示す値です。一方、公差とは設計段階であらかじめ設定された許容できる誤差の範囲を指します。
つまり、公差は「設計基準」、誤差は「実際の結果」と考えると理解しやすいでしょう。
CNC加工ではどのくらいの精度が出せますか?
一般的なCNCマシニングセンタでは、±0.02mm程度の精度で安定した加工が可能です。高精度設備や精密加工条件では、±0.005mm程度の精度が求められることもあります。
ただし加工精度は次のような要因にも影響されます。
- 加工機の性能
- 工具の状態
- 材料特性
- 加工条件
- 温度環境
そのため実際の加工では、加工業者と相談しながら公差を設定することが重要になります。
一般公差とは何ですか?
一般公差とは、図面に個別の公差が指定されていない寸法に対して適用される標準的な公差です。多くの場合、JISやISO規格に基づいた一般公差が図面に記載されています。
一般公差を設定することで、すべての寸法に個別の公差を記入する必要がなくなり、図面を簡潔にすることができます。
公差を厳しくすると何が起こりますか?
公差を厳しくすると、加工難易度が上がり次のような影響が出る可能性があります。
- 加工時間の増加
- 高精度設備の必要性
- 測定工程の増加
- 製造コストの上昇
- 不良率の増加
そのため設計では、必要以上に厳しい公差を設定するのではなく、機能を満たす最適な公差を設定することが重要です。
まとめ
機械加工の公差とは、基準寸法に対して許容される誤差範囲を示す重要な設計要素です。
公差を適切に設定することで、次のメリットがあります。
- 部品の組立性が向上する
- 加工品質が安定する
- 製造コストを最適化できる
- 機械寿命が向上する
また、公差には次の種類があります。
- 寸法公差
- 幾何公差
- はめあい公差
機械設計では、機能・加工方法・コストのバランスを考えながら公差を設定することが重要です。
公差の考え方を理解することで、設計品質や加工精度を大きく向上させることができます。

